1.產品概述
ACI-W高精密扭力測試儀主要用于電動、手動精密工具和各種零件的微小扭力測試,適用于手機、醫療器械、光纖、微電子、手表等需要高分辨率、高精度及高速采樣要求的扭力測量。本產品采用觸摸顯示屏幕,整體簡潔,屏幕顯示內容豐富,直觀,可精確到小數點四位,采樣率高達10K。

2.性能特點
1. 可提供TRACK、PEAK、GRAPH(定制)等測量模式。
2. 儲存1000筆資料,自動計算最大、最小、平均值、次數。
3. 自動清除測量值和峰值。
4. 自動記憶測量數值且每次峰值自動上傳。
5. USB、RS-232C、MODBUS協議選擇,用于電腦管理數據。
6. 自動關機時間可設定。
7. 電池供電或充電同時工作。
3.型號規格
| 型號 | 最大負荷 | 最小負荷 | ||||
| N.m | Kgf.cm | Lbf.in | N.m | Kgf.cm | Lbf.in | |
ACI-W-0.2N.m (可內置) | 0.2000 | 2.0000 | 1.8000 | 0.0001 | 0.0001 | 0.0001 |
ACI-W-1N.m (可內置) | 1.0000 | 10.000 | 9.000 | 0.0001 | 0.001 | 0.001 |
ACI-W-2N.m (可內置) | 2.0000 | 20.000 | 18.000 | 0.002 | 0.002 | 0.002 |
ACI-W-5N.m (可內置) | 5.0000 | 50.000 | 45.000 | 0.005 | 0.005 | 0.005 |
ACI-W-10N.m (可內置) | 10.000 | 100.00 | 90.00 | 0.001 | 0.01 | 0.01 |
| ACI-W-20N.m | 20.000 | 200.00 | 180.00 | 0.002 | 0.02 | 0.02 |
| ACI-W-50N.m | 50.000 | 500.00 | 450.00 | 0.005 | 0.05 | 0.05 |
| ACI-W-100N.m | 100.00 | 1000.0 | 900.00 | 0.01 | 0.1 | 0.01 |
| 精度 | ±0.3% (2.0000kgf.cm或低于±0.005kgf.cm) | |||||
| 顯示屏 | 觸摸顯示彩屏4.2吋 | |||||
| 測定方向 | 順時針-逆時針方向 | |||||
| 測量模式 | 代號內容峰值PEAK保留輸入的最大值跟蹤trACK用于校準,顯示過程圖形GRAPH 顯示測量全程的圖形 | |||||
| 上下限的判定功能 | 設定在限制范圍內測量最高與最低的數值 | |||||
| 結果判斷 | 設定范圍內執行結果判斷 OK,NG | |||||
| 最大、最小、平均值及測量次數 | 顯示測量值的最大、最小、平均數值及測量次數 | |||||
| 存儲容量 | 1000 個數據 | |||||
| 實時輸出 | 測量數據實時自動輸出 | |||||
| 自動清除時間 | 可設定 (1,2,3,5,10S)自動清除測量值 | |||||
| 單鍵歸零 | 手動按鍵歸零 | |||||
| 數據的輸出 | RS-232C、USB、MODBUS協議 | |||||
| 電池 | Ni-MH(鎳氫)1.2V*6可充電電池 (3000mAh)/可充電500次以上 | |||||
| 自動關機 | 10分鐘內無操作動作后,自動關機 | |||||
| 充電時間/連續使用時間 | 5小時以內/在全充電時間內連續使用約8小時 | |||||
| 電源 | AC 適配器 (12V)/NIMH電池 | |||||
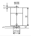
| 插座尺寸 | □20 / □9.5 | |||||
| 充電器及USB | AC 適配器 (輸入: AC100~240V (50/60Hz)、輸出: DC9V) | |||||
| USB電纜 | ||||||
| 配件 (選配) | (測量接頭)MW-025/MW-10 (測量接頭)MW-20 / MW-60 | |||||
| 帶M2.6、M3、M4、M5和M6螺孔的立方體 (尺寸20*20*20 mm) | ||||||
傳動機構和模擬螺栓(選配)
| 測量接頭 | MW-025 | MW-10 | MW-20 | OW-60 |
| 量程 | 最大0.25N.m | 最大1.0N.m | 最大2.0N.m | 最大6.0N.m |
| 范圍 | 0.003~0.25N.m | 0.25~1.0N.m | 1.0~2.0N.m | 2.0~6.0N.m |
| 使用次數 | 5000次 | 5000次 | 5000次 | 5000次 |
| 頭部配件 | M2.6+螺絲 | M3+螺釘 | M4+螺釘 | M6+螺釘 |
| 尺寸 | ?28*(H)35 | ?32*(H)42.5 | ?32*(H)42.5 | ?38*(H)59 |
單位:mm | ||||
4.通迅說明
測試儀集成了USB和RS232C端口。
*不要同時通過兩個端口通信。
如果使用RS232C端口,請準備一根直電纜。
通過一個專用軟件測量扭力,管理存儲數據或設置參數。
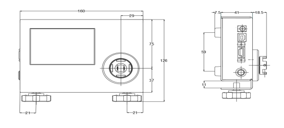
5.外部尺寸

轉接器連接插座尺寸圖
